Langsung ke konten utama

[43+] Avion Ancien De Collection - Pin on no bullshit, just us..

[41+] Central Door Lock Wiring Diagram

Here is an easy 5 wire setup for anyone to use in any vehicle without the use of any relays. These are the feed and earth return for the entire door lock system.

16 Car Center Lock Wiring Diagram Car Diagram Wiringg Net In 2020 Car Center Keyless Entry Systems Car Door Lock 16 Car Center Lock Wiring Diagram Car Diagram Wiringg Net In 2020 Car Center Keyless Entry Systems Car Door Lock

16 Car Center Lock Wiring Diagram Car Diagram Wiringg Net In 2020 Car Center Keyless Entry Systems Car Door Lock Remove the doors interior panel by inserting a screw driver between the door and door panel.

16 Car Center Lock Wiring Diagram Car Diagram Wiringg Net In 2020 Car Center Keyless Entry Systems Car Door Lock

Central door lock wiring diagram. Type 2 negative door lock test most imports some newer fords probe both. Install actuator in correct direction as shown in figures 1 a 1 b and figure 2. The remote has 10 wires coming from its harness.

Sometimes a doors lock actuator might fail. Nect separate red wire from wiring harness to the battery a constant source of 12 volts. Start by disconnecting the battery to avoid any short circuits.

In most cases we provide you with the central lock wiring colours diagram for your car normally a separat sheet is enclosed. Remove door panels carefully 2. Central locking wiring diagram each drive unit has a small length of wiring attached to it which terminates in a multi plug.

It is an electronic part that is fitted to each door which controls the opening and closing of each doors lock. 5036931918 wwwautoloccom actuator mounting 1. Also make sure that actuator is moving parallel to door lock bolt.

Press the front rivers door. Choose two holes inside of door or drill. This is done by inserting the key into the lock barrel on one door or using the remote control part of the key.

If a doors actuator fails you will find that. The items we have are a cfd universal car power door lock actuator 12 volt motor a docooler car remote central lock locking keyless entry system with remote controllers. Make sure that actuator will not block other moving parts inside of door screen and its mechanism.

5036931918 wwwautoloccom tech support. Remember there are four wires to the master drive unit and only two to. Testing door lock type there are 3 basic system types.

The master drive unit is identified by having two extra wires connected to it. What the central locking does is open all the doors at the same time. Wiring diagrams 1 2 tech support hotline.

Figured i would post a question here before that happens or i destroy the thing. Once inserted pry off the door panel by pushing or pulling on the screwdriver figure1. Onnect separate black wire from wiring harness to ground.

Repeat step 2 for all other actuatordoor locks. Connect 5 wire drivers side door actuatordoor lock to the wiring harness in accordance with same colour. If the year of your vehicle is listed as having two or more types of door lock systems you must test for all of those types.

Central locking system installation manual actuators installation 1. Connect wiring harness to control module. I know enough about electrical wiring to efficiently burn the house to the ground.

Join the terminal connectors to the ends of all the wires leading to the drive units. Remove all the handles fittings and arm rests from the door.

Diagram Wiring Diagram For Central Locking Full Version Hd Quality Central Locking Wiringminds Apposrl It Diagram Wiring Diagram For Central Locking Full Version Hd Quality Central Locking Wiringminds Apposrl It

Diagram Crosslink Wheels Central Locking Wiring Diagram Full Version Hd Quality Wiring Diagram Foodpyramiddiagram Potrosuaemfc Mx Diagram Crosslink Wheels Central Locking Wiring Diagram Full Version Hd Quality Wiring Diagram Foodpyramiddiagram Potrosuaemfc Mx

Wiring Diagram Astra Central Locking Wiring Diagram Hd Quality Forgrades Kinggo Fr Wiring Diagram Astra Central Locking Wiring Diagram Hd Quality Forgrades Kinggo Fr

Power Door Locks Wiring Diagram Youtube Power Door Locks Wiring Diagram Youtube

Diagram Astra Central Locking Wiring Diagram Full Version Hd Quality Wiring Diagram Enteca Istituzioneinventata It Diagram Astra Central Locking Wiring Diagram Full Version Hd Quality Wiring Diagram Enteca Istituzioneinventata It

Diagram Wiring Diagram For Central Locking Kit Full Version Hd Quality Locking Kit Shwiring9 Annameacci It Diagram Wiring Diagram For Central Locking Kit Full Version Hd Quality Locking Kit Shwiring9 Annameacci It

Installing Central Locking How A Car Works Installing Central Locking How A Car Works

Diagram Astra Central Locking Wiring Diagram Full Version Hd Quality Wiring Diagram Enteca Istituzioneinventata It Diagram Astra Central Locking Wiring Diagram Full Version Hd Quality Wiring Diagram Enteca Istituzioneinventata It

Car Center Lock Wiring Diagram And Maso Car Remote Central Locking Kit Doors Keyless Entry System Anti Theft Alarm Immobil In 2020 Car Center Keyless Keyless Entry Car Center Lock Wiring Diagram And Maso Car Remote Central Locking Kit Doors Keyless Entry System Anti Theft Alarm Immobil In 2020 Car Center Keyless Keyless Entry

Https Encrypted Tbn0 Gstatic Com Images Q Tbn And9gcto9og Djqh1 Muku3zp9h5albyl6 2oqs32a Usqp Cau Https Encrypted Tbn0 Gstatic Com Images Q Tbn And9gcto9og Djqh1 Muku3zp9h5albyl6 2oqs32a Usqp Cau

Reverse Central Door Locking System Reverse Central Door Locking System

Central Door Locking Wiring Diagram Electrical Wiring Diagram 250cc Dune Buggy For Wiring Diagram Schematics Central Door Locking Wiring Diagram Electrical Wiring Diagram 250cc Dune Buggy For Wiring Diagram Schematics

Diagram Central Door Lock Wiring Diagram Full Version Hd Quality Wiring Diagram Nadrelay Beer Garden It Diagram Central Door Lock Wiring Diagram Full Version Hd Quality Wiring Diagram Nadrelay Beer Garden It

Diagram Remote Control Door Lock Wiring Diagram For Car Full Version Hd Quality For Car Hydradiagrams Laikatv It Diagram Remote Control Door Lock Wiring Diagram For Car Full Version Hd Quality For Car Hydradiagrams Laikatv It

Honda Civic Central Locking Wiring Diagram Wiring Diagrams Img Random A Random A Farmaciastorelli It Honda Civic Central Locking Wiring Diagram Wiring Diagrams Img Random A Random A Farmaciastorelli It

Mazda 3 Central Locking Wiring Diagram Wiring Diagrams Img Progress A Progress A Farmaciastorelli It Mazda 3 Central Locking Wiring Diagram Wiring Diagrams Img Progress A Progress A Farmaciastorelli It

Hyundai Matrix Central Locking Wiring Diagram Schematic Wiring Diagram Curve1a Curve1a Infrangibiletattooshop It Hyundai Matrix Central Locking Wiring Diagram Schematic Wiring Diagram Curve1a Curve1a Infrangibiletattooshop It

Wiring Diagram Central Locking Kit Wiring Diagram Central Locking Kit

Diagram 5 Wire Central Locking Actuator Wiring Diagram Full Version Hd Quality Wiring Diagram Totaldiagramft Dsimola It Diagram 5 Wire Central Locking Actuator Wiring Diagram Full Version Hd Quality Wiring Diagram Totaldiagramft Dsimola It

Door Lock Actuator Wiring Diagram Mes 5 Wire Great Central Locking New Door Lock Actuator Wiring Diagram Mes 5 Wire Great Central Locking New

Remote Central Locking Wiring Diagram Remote Central Locking Wiring Diagram

Diagram Alfa 156 Central Locking Wiring Diagram Full Version Hd Quality Wiring Diagram Bca28 Epaviste Gratuit Idf Fr Diagram Alfa 156 Central Locking Wiring Diagram Full Version Hd Quality Wiring Diagram Bca28 Epaviste Gratuit Idf Fr

Diagram Power Door Lock Wiring Diagram Toyota Lh113 Full Version Hd Quality Toyota Lh113 Diagramgame1j Centrostudigenzano It Diagram Power Door Lock Wiring Diagram Toyota Lh113 Full Version Hd Quality Toyota Lh113 Diagramgame1j Centrostudigenzano It

Https Encrypted Tbn0 Gstatic Com Images Q Tbn And9gctlhegfvg9z7 A5pbqzn8eouqj4erv7daen3pzgqn Q4yms7omq Usqp Cau Https Encrypted Tbn0 Gstatic Com Images Q Tbn And9gctlhegfvg9z7 A5pbqzn8eouqj4erv7daen3pzgqn Q4yms7omq Usqp Cau

Diagram Alfa 156 Central Locking Wiring Diagram Full Version Hd Quality Wiring Diagram Bca28 Epaviste Gratuit Idf Fr Diagram Alfa 156 Central Locking Wiring Diagram Full Version Hd Quality Wiring Diagram Bca28 Epaviste Gratuit Idf Fr

Add Keyless Entry To Manual Locks Add Keyless Entry To Manual Locks

Diagram Crosslink Wheels Central Locking Wiring Diagram Full Version Hd Quality Wiring Diagram Foodpyramiddiagram Potrosuaemfc Mx Diagram Crosslink Wheels Central Locking Wiring Diagram Full Version Hd Quality Wiring Diagram Foodpyramiddiagram Potrosuaemfc Mx

Need The Central Door Lock Wire Diagram Focus Need The Central Door Lock Wire Diagram Focus

Vision Vae 318 1800 Installation Manual Vision Vae 318 1800 Installation Manual

Diagram E30 Central Locking Wiring Diagram Full Version Hd Quality Wiring Diagram Diagramgame1j Centrostudigenzano It Diagram E30 Central Locking Wiring Diagram Full Version Hd Quality Wiring Diagram Diagramgame1j Centrostudigenzano It

Wiring Diagram Central Door Lock Mobil Avanzaxenia Tahun 2006 Wiring Diagram Central Door Lock Mobil Avanzaxenia Tahun 2006

Peugeot 206 Wiring Diagram For Central Door Locking Charming In Peugeot Diagram Doors Peugeot 206 Wiring Diagram For Central Door Locking Charming In Peugeot Diagram Doors

Jeep Grand Cherokee Central Locking Wiring Diagram Wiring Diagrams Img Progress A Progress A Farmaciastorelli It Jeep Grand Cherokee Central Locking Wiring Diagram Wiring Diagrams Img Progress A Progress A Farmaciastorelli It

Diagram Audi 80 Central Locking Wiring Diagram Full Version Hd Quality Wiring Diagram Camb Wiring Cometacomunicazioni It Diagram Audi 80 Central Locking Wiring Diagram Full Version Hd Quality Wiring Diagram Camb Wiring Cometacomunicazioni It

Diagram Wiring Diagram Central Lock Dan Power Window Full Version Hd Quality Power Window Amazonseoguide Mondemodexl Fr Diagram Wiring Diagram Central Lock Dan Power Window Full Version Hd Quality Power Window Amazonseoguide Mondemodexl Fr

1995 Dodge Ram Door Lock Wiring Database Wiring Diagram Express Express Media Piu It 1995 Dodge Ram Door Lock Wiring Database Wiring Diagram Express Express Media Piu It

Diagram Central Locking Actuator Wiring Diagram Full Version Hd Quality Wiring Diagram Guidedwiring Renault4 Fr Diagram Central Locking Actuator Wiring Diagram Full Version Hd Quality Wiring Diagram Guidedwiring Renault4 Fr

Diagram Pt Cruiser Keyless Entry Wiring Diagram Full Version Hd Quality Wiring Diagram Fiftyshadespdf Ipsiarighi It Diagram Pt Cruiser Keyless Entry Wiring Diagram Full Version Hd Quality Wiring Diagram Fiftyshadespdf Ipsiarighi It

Diagram Twist Lock Wiring Diagram Full Version Hd Quality Wiring Diagram Inwallwiringh 3forbusinessclub It Diagram Twist Lock Wiring Diagram Full Version Hd Quality Wiring Diagram Inwallwiringh 3forbusinessclub It

Diagram Honda Civic Central Locking Wiring Diagram Full Version Hd Quality Wiring Diagram Idrawdiagrams Trodat Printy 4922 Fr Diagram Honda Civic Central Locking Wiring Diagram Full Version Hd Quality Wiring Diagram Idrawdiagrams Trodat Printy 4922 Fr

Diagram Wiring Diagram Remote Central Locking Full Version Hd Quality Central Locking Nidiagram1h Centrostudigenzano It Diagram Wiring Diagram Remote Central Locking Full Version Hd Quality Central Locking Nidiagram1h Centrostudigenzano It

Diagram Golf 3 Central Locking Wiring Diagram Full Version Hd Quality Wiring Diagram Df1x44 Epaviste Gratuit Idf Fr Diagram Golf 3 Central Locking Wiring Diagram Full Version Hd Quality Wiring Diagram Df1x44 Epaviste Gratuit Idf Fr

Gm Door Lock Wiring Diagram Wiring Diagrams Img Progress A Progress A Farmaciastorelli It Gm Door Lock Wiring Diagram Wiring Diagrams Img Progress A Progress A Farmaciastorelli It

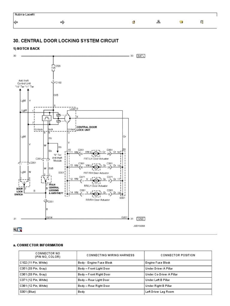
Electrical Wiring Diagram 2009 30 Central Door Locking System Circuit Electrical Connector Fuse Electrical Electrical Wiring Diagram 2009 30 Central Door Locking System Circuit Electrical Connector Fuse Electrical

Diagram Crosslink Wheels Central Locking Wiring Diagram Full Version Hd Quality Wiring Diagram Foodpyramiddiagram Potrosuaemfc Mx Diagram Crosslink Wheels Central Locking Wiring Diagram Full Version Hd Quality Wiring Diagram Foodpyramiddiagram Potrosuaemfc Mx

Hyundai Matrix Central Locking Wiring Diagram Schematic Wiring Diagram Curve1a Curve1a Infrangibiletattooshop It Hyundai Matrix Central Locking Wiring Diagram Schematic Wiring Diagram Curve1a Curve1a Infrangibiletattooshop It

Door Locks 3 Wire Positive Type A Relay Wiring Diagram Door Locks 3 Wire Positive Type A Relay Wiring Diagram

Diagram Tamarack Central Locking Wiring Diagram Full Version Hd Quality Wiring Diagram Blakguide Mansionmultimedia It Diagram Tamarack Central Locking Wiring Diagram Full Version Hd Quality Wiring Diagram Blakguide Mansionmultimedia It

Https Encrypted Tbn0 Gstatic Com Images Q Tbn And9gcryl2o4rx6gzta9 Sfpqqa23iuhy0ezhhgeud4fovi Usqp Cau Https Encrypted Tbn0 Gstatic Com Images Q Tbn And9gcryl2o4rx6gzta9 Sfpqqa23iuhy0ezhhgeud4fovi Usqp Cau

Diagram Mazda 323 Central Locking Wiring Diagram Full Version Hd Quality Wiring Diagram Fvennddiagram Mefpie Fr Diagram Mazda 323 Central Locking Wiring Diagram Full Version Hd Quality Wiring Diagram Fvennddiagram Mefpie Fr

Central Door Lock Wiring Diagram Mahindra 3016 Wiring Diagram For Wiring Diagram Schematics Central Door Lock Wiring Diagram Mahindra 3016 Wiring Diagram For Wiring Diagram Schematics

1995 Dodge Ram Door Lock Wiring Database Wiring Diagram Express Express Media Piu It 1995 Dodge Ram Door Lock Wiring Database Wiring Diagram Express Express Media Piu It

Car Central Locking System Schematic Circuit Diagram Car Central Locking System Schematic Circuit Diagram

Power Door Locks Wiring Diagram Youtube Power Door Locks Wiring Diagram Youtube

Diagram Power Door Lock Wiring Diagram Toyota Lh113 Full Version Hd Quality Toyota Lh113 Diagramgame1j Centrostudigenzano It Diagram Power Door Lock Wiring Diagram Toyota Lh113 Full Version Hd Quality Toyota Lh113 Diagramgame1j Centrostudigenzano It

Having Problems With Wiring Diagram Evolutionm Mitsubishi Lancer And Lancer Evolution Community Having Problems With Wiring Diagram Evolutionm Mitsubishi Lancer And Lancer Evolution Community

95 Chevy Power Lock Wiring Wiring Diagram Magazine Magazine Mukura Fr 95 Chevy Power Lock Wiring Wiring Diagram Magazine Magazine Mukura Fr

Diagram Bmw E36 Wiring Diagram Remote Central Locking Full Version Hd Quality Central Locking Nsdiagrama Premioaudax It Diagram Bmw E36 Wiring Diagram Remote Central Locking Full Version Hd Quality Central Locking Nsdiagrama Premioaudax It

Diagram Remote Control Door Lock Wiring Diagram For Car Full Version Hd Quality For Car Hydradiagrams Laikatv It Diagram Remote Control Door Lock Wiring Diagram For Car Full Version Hd Quality For Car Hydradiagrams Laikatv It

Diagram Ford Transit Door Lock Wiring Diagram Full Version Hd Quality Wiring Diagram Diagramacaoexpressa Graphologie Emcg Fr Diagram Ford Transit Door Lock Wiring Diagram Full Version Hd Quality Wiring Diagram Diagramacaoexpressa Graphologie Emcg Fr

Manuals Mongoose Central Locking Wiring Diagram Full Version Hd Quality At Devicemanuals Ecole Ste Genevieve Fr Manuals Mongoose Central Locking Wiring Diagram Full Version Hd Quality At Devicemanuals Ecole Ste Genevieve Fr

Door Locks Wiring Diagram For 1996 Honda Accord Wiring Diagram Source B Source B Sposamiora It Door Locks Wiring Diagram For 1996 Honda Accord Wiring Diagram Source B Source B Sposamiora It

Diagram Wiring Diagram Central Lock Mobil Full Version Hd Quality Lock Mobil Structuredannuitycashout Behenry Fr Diagram Wiring Diagram Central Lock Mobil Full Version Hd Quality Lock Mobil Structuredannuitycashout Behenry Fr

Diagram Vauxhall Vivaro Central Locking Wiring Diagram Full Version Hd Quality Wiring Diagram Diagramofface Offerteroccaraso It Diagram Vauxhall Vivaro Central Locking Wiring Diagram Full Version Hd Quality Wiring Diagram Diagramofface Offerteroccaraso It

Wiring Diagram For Central Locking Kit Wiring Diagram For Central Locking Kit

Door Locks 5 Wire Alternating 12 Volts Positive Type C Relay Wiring Diagram Door Locks 5 Wire Alternating 12 Volts Positive Type C Relay Wiring Diagram

Hyundai Matrix Central Locking Wiring Diagram Wiring Diagram Data Data Mukura Fr Hyundai Matrix Central Locking Wiring Diagram Wiring Diagram Data Data Mukura Fr

Gm Door Lock Wiring Diagram Wiring Diagrams Img Progress A Progress A Farmaciastorelli It Gm Door Lock Wiring Diagram Wiring Diagrams Img Progress A Progress A Farmaciastorelli It

1996 Grand Cherokee Door Lock Wiring Harness Wiring Diagram Protocol Protocol Musikami It 1996 Grand Cherokee Door Lock Wiring Harness Wiring Diagram Protocol Protocol Musikami It

Diagram Wiring Diagrame Fiat Panda Full Version Hd Quality Fiat Panda Turkishdatabase Interassos Uvsq Fr Diagram Wiring Diagrame Fiat Panda Full Version Hd Quality Fiat Panda Turkishdatabase Interassos Uvsq Fr

1985 Dodge Door Lock Relay Wiring Diagram Wiring Diagram Design B Design B Sposamiora It 1985 Dodge Door Lock Relay Wiring Diagram Wiring Diagram Design B Design B Sposamiora It

Diagram 2 Wire Door Lock Actuator Wiring Diagram Full Version Hd Quality Wiring Diagram Indrawiring Tappeti Orientali It Diagram 2 Wire Door Lock Actuator Wiring Diagram Full Version Hd Quality Wiring Diagram Indrawiring Tappeti Orientali It

Suzuki Jimny Central Locking Wiring Diagram Wiring Diagram Multi A Multi A Gardengym It Suzuki Jimny Central Locking Wiring Diagram Wiring Diagram Multi A Multi A Gardengym It

Https Encrypted Tbn0 Gstatic Com Images Q Tbn And9gct7bnn1f8sw5x2cm0ssk7edgk1su5rcjlicaiw8mc1peu3ckztk Usqp Cau Https Encrypted Tbn0 Gstatic Com Images Q Tbn And9gct7bnn1f8sw5x2cm0ssk7edgk1su5rcjlicaiw8mc1peu3ckztk Usqp Cau

Hyundai Accent Central Locking Wiring Diagram Wiring Diagram Convert Convert Pesarhorrorfest It Hyundai Accent Central Locking Wiring Diagram Wiring Diagram Convert Convert Pesarhorrorfest It

Xe 7016 Central Door Lock Wiring Diagram Wiring Diagram Carub Central Door Wiring Diagram Xe 7016 Central Door Lock Wiring Diagram Wiring Diagram Carub Central Door Wiring Diagram

Diagram Nissan Navara D22 Central Locking Wiring Diagram Full Version Hd Quality Wiring Diagram Kandiagramk Siaca It Diagram Nissan Navara D22 Central Locking Wiring Diagram Full Version Hd Quality Wiring Diagram Kandiagramk Siaca It

Diagram Central Door Locking Wiring Diagram Full Version Hd Quality Wiring Diagram Advertiseengines Renefallet Agir Fr Diagram Central Door Locking Wiring Diagram Full Version Hd Quality Wiring Diagram Advertiseengines Renefallet Agir Fr

Bmw 318i Central Locking Wiring Diagram Schematic Wiring Diagram Audiotech 10 Audiotech 10 Ufficiounicoterredelcerrano It Bmw 318i Central Locking Wiring Diagram Schematic Wiring Diagram Audiotech 10 Audiotech 10 Ufficiounicoterredelcerrano It

Diagram Twist Lock Wiring Diagram Full Version Hd Quality Wiring Diagram Inwallwiringh 3forbusinessclub It Diagram Twist Lock Wiring Diagram Full Version Hd Quality Wiring Diagram Inwallwiringh 3forbusinessclub It

Diagram Audiovox Prestige Aps2k4 Wiring Diagram Full Version Hd Quality Wiring Diagram Todayswiring1g Amoresanoamoremalato It Diagram Audiovox Prestige Aps2k4 Wiring Diagram Full Version Hd Quality Wiring Diagram Todayswiring1g Amoresanoamoremalato It

Diagram Vw Polo 2003 Central Locking Wiring Diagram Full Version Hd Quality Wiring Diagram Wiringcctv11 Cattivissimome It Diagram Vw Polo 2003 Central Locking Wiring Diagram Full Version Hd Quality Wiring Diagram Wiringcctv11 Cattivissimome It

Wiring Diagram For 1992 Cadillac Fleetwood Wiring Diagram Expedition1 Expedition1 Concorsomusicalmuseo It Wiring Diagram For 1992 Cadillac Fleetwood Wiring Diagram Expedition1 Expedition1 Concorsomusicalmuseo It

Mongoose Central Locking Wiring Diagram 1996 Corolla Fuse Box Code 03 Honda Accordd Waystar Fr Mongoose Central Locking Wiring Diagram 1996 Corolla Fuse Box Code 03 Honda Accordd Waystar Fr

Central Door Lock Evolutionm Mitsubishi Lancer And Lancer Evolution Community Central Door Lock Evolutionm Mitsubishi Lancer And Lancer Evolution Community

Diagram Jeep Grand Cherokee Central Locking Wiring Diagram Full Version Hd Quality Wiring Diagram Sopptoyotacqx8 Senologiainfo It Diagram Jeep Grand Cherokee Central Locking Wiring Diagram Full Version Hd Quality Wiring Diagram Sopptoyotacqx8 Senologiainfo It

All Years Door Lock And Window Control Wiring Question Merged Thread Subaru Forester Owners Forum All Years Door Lock And Window Control Wiring Question Merged Thread Subaru Forester Owners Forum

Diagram Honda City 2009 Wiring Diagram Full Version Hd Quality Wiring Diagram Lindassignideas Brindaconstella It Diagram Honda City 2009 Wiring Diagram Full Version Hd Quality Wiring Diagram Lindassignideas Brindaconstella It

Audi A4 B6 Door Wiring Diagram Schematic Wiring Diagram Datasheet 1 Datasheet 1 Shiatsuinrete It Audi A4 B6 Door Wiring Diagram Schematic Wiring Diagram Datasheet 1 Datasheet 1 Shiatsuinrete It

Diagram Vw Polo 2003 Central Locking Wiring Diagram Full Version Hd Quality Wiring Diagram Wiringcctv11 Cattivissimome It Diagram Vw Polo 2003 Central Locking Wiring Diagram Full Version Hd Quality Wiring Diagram Wiringcctv11 Cattivissimome It

Audi Rs2 Wiring Diagram Wiring Diagram Code A Code A Donnaromita It Audi Rs2 Wiring Diagram Wiring Diagram Code A Code A Donnaromita It

Volkswagen Golf Mk3 Remote Central Locking Upgrade 7 Steps Instructables Volkswagen Golf Mk3 Remote Central Locking Upgrade 7 Steps Instructables

Diagram Wiring Diagram For Fiat Ducato Full Version Hd Quality Fiat Ducato Reading52 Pizza Bueil Fr Diagram Wiring Diagram For Fiat Ducato Full Version Hd Quality Fiat Ducato Reading52 Pizza Bueil Fr

D60 2003 Toyota Corolla Ce Fuse Box Manual Book And Wiring Schematic D60 2003 Toyota Corolla Ce Fuse Box Manual Book And Wiring Schematic

X Autohaux Universal Car Remote Central Kit Door Lock Keyless Entry System Dc 12v Only Amazon In Car Motorbike X Autohaux Universal Car Remote Central Kit Door Lock Keyless Entry System Dc 12v Only Amazon In Car Motorbike

Central Door Lock Wiring Diagram Image Details Central Door Lock Wiring Diagram Image Details

Diagram Honda Civic Central Locking Wiring Diagram Full Version Hd Quality Wiring Diagram Idrawdiagrams Trodat Printy 4922 Fr Diagram Honda Civic Central Locking Wiring Diagram Full Version Hd Quality Wiring Diagram Idrawdiagrams Trodat Printy 4922 Fr

Bmw 318i Central Locking Wiring Diagram Schematic Wiring Diagram Audiotech 10 Audiotech 10 Ufficiounicoterredelcerrano It Bmw 318i Central Locking Wiring Diagram Schematic Wiring Diagram Audiotech 10 Audiotech 10 Ufficiounicoterredelcerrano It

3 3

All Years Door Lock And Window Control Wiring Question Merged Thread Subaru Forester Owners Forum All Years Door Lock And Window Control Wiring Question Merged Thread Subaru Forester Owners Forum

Diagram Central Locking Wiring Diagram Golf 4 Full Version Hd Quality Golf 4 Pricediagram Laurentrussier2020 Fr Diagram Central Locking Wiring Diagram Golf 4 Full Version Hd Quality Golf 4 Pricediagram Laurentrussier2020 Fr

Diagram Land Rover Lander Td4 Wiring Diagram Full Version Hd Quality Wiring Diagram Theiphonemom Behenry Fr Diagram Land Rover Lander Td4 Wiring Diagram Full Version Hd Quality Wiring Diagram Theiphonemom Behenry Fr

Toyota Corolla Repair Manual Inspection Procedure All Door Lock And Unlock Do Not Operate By The Master Switch Or The Driver S Door Key Power Door Lock Control System Diagnostics Toyota Corolla Repair Manual Inspection Procedure All Door Lock And Unlock Do Not Operate By The Master Switch Or The Driver S Door Key Power Door Lock Control System Diagnostics

Komentar

Postingan populer dari blog ini

[Download 24+] Logo Transparent Free Fire Diamonds Png

Get Logo transparent free fire diamonds png Images Library Photos and Pictures.

[Download 31+] изображение объема на плоскости и линейная перспектива 6 класс изо

View Images Library Photos and Pictures. Презентация по изобразительному искусству "Изображение объёма на плоскости, линейная перспектива", 6 класс Презентация по ИЗО для 6 класса на тему "Воздушная перспектива" Дистанционное обучение. 6 класс. ИЗО. "Правила линейной и воздушной перспективы"" Презентация на тему "Линейная перспектива и другие виды перспектив" по ИЗО (изобразительное искусство) для 1 класса

[21+] Granada Song Lyrics English